![]() |
![]() |
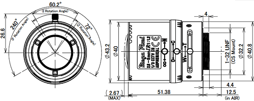
| 型号 |
M13VM288IR
|
||
|
成像器大小 |
1/3
|
||
|
交换镜头座 |
CS
|
||
|
焦距 |
2.8~8mm
|
||
|
光圈范围 |
1.3~Close
|
||
|
视场角 (水平x垂直) |
1/3型 | Wide |
100.1°x 72.9°
|
| Tele |
35.8°x 26.8°
|
||
| 1/4型 | Wide |
72.9°x 53.9°
|
|
| Tele |
26.8°x 20.1°
|
||
|
焦距范围 |
0.3m~∞
|
||
| 操作方法 |
焦点 |
手动 (带锁定结构)
|
|
|
变焦 |
手动 (带锁定结构)
|
||
|
光圈 |
手动 (带锁定结构)
|
||
|
滤镜螺纹尺寸 |
-
|
||
| 后焦点 (in air) |
Wide 8.339~Tele 14.944m
|
||
| 对应波长 |
可见光~近红外
|
||
|
工作电压 |
-
|
||
|
重量 |
61g
|
||
|
工作温度范围 |
-20℃~+60℃
|
||